Main Features
1.Advanced vector control algorithm, adaptive to parameter changes caused by motor changes, improve the tolerance of system control.
2.No PG vector control (SVC), PG vector control (VC), V/F control, torque control and other control methods can be selected .
3.Auto tuning of static and dynamic motor parameters can be realized, so that the inverter can be automatically adjusted to the best operating state.
4.NPN and PNP two modes of multi-function input terminals, can provide compatible switch signal with any external equipment.
5.Built-in PLC function, which can realize operation modes such as stopping after a single cycle, maintaining the final value after a single cycle, and continuous cycle ect.
6.Rich combination of frequency sources, more flexible to use.
7.Special functions such as swing frequency, fixed length and counting can be realized.
8.Realize the delay function of programmable relay and open collector output.
9.Droop control function realizes automatic load balance.
10.High-speed pulse input and output function.
11.Built-in PID function to realize closed-loop control of flow, temperature and pressure.
12.Standard MODBUS communication protocol, easy to realize the communication with PLC, industrial computer and other industrial control equipment.
13.Multiple password protection to protect user rights.
14.Compact structure, independent air duct design, greatly improve power density, and effectively reduce user installation volume requirements.
15.Wide grid voltage design, especially suitable for domestic low-voltage special occasions.
16.Wide industry applications, special function modules can be expanded according to different industries.
Demonstration of the Model
Inverter Outline & Mounting Dimension (Unit:mm)
| Inverter Model | Power (KW) | Current (A) | Dimension (mm) | Figure | |||||
| H | H1 | W | W1 | D | d | ||||
| ZVF380-G0R4S2MD | 0.4 | 2.3 | 186 | 172 | 125 | 113 | 180 | 5 | Fig.1 |
| ZVF380-G0R7S2MD | 0.75 | 4 | 186 | 172 | 125 | 113 | 180 | 5 | |
| ZVF380-G1R5S2MD | 1.5 | 7.0 | 186 | 172 | 125 | 113 | 180 | 5 | |
| ZVF380-G2R2S2MD | 2.2 | 9.6 | 186 | 172 | 125 | 113 | 180 | 5 | |
| ZVF380-G3R7S2MD | 3.7 | 17 | 249 | 236 | 160 | 147 | 197 | 5 | |
| ZVF380-G5R5T2MD | 5.5 | 25 | 322 | 304 | 208 | 194 | 204 | 6 | |
| ZVF380-G7R5T2MD | 7.5 | 32 | 322 | 304 | 208 | 194 | 204 | 6 | |
| ZVF380-G0R7T4MD | 0.75 | 2.1 | 186 | 172 | 125 | 113 | 180 | 5 | |
| ZVF380-G1R5T4MD | 1.5 | 3.8 | 186 | 172 | 125 | 113 | 180 | 5 | |
| ZVF380-G2R2T4MD | 2.2 | 5.1 | 186 | 172 | 125 | 113 | 180 | 5 | |
| ZVF380-G3R0T4MD | 3.0 | 6.8 | 186 | 172 | 125 | 113 | 180 | 5 | |
| ZVF380-G4R0T4MD | 4.0 | 9.0 | 249 | 236 | 160 | 147 | 197 | 5 | |
| ZVF380-G5R5T4MD | 5.5 | 13 | 249 | 236 | 160 | 147 | 197 | 5 | |
| ZVF380-G7R5T4MD | 7.5 | 17 | 249 | 236 | 160 | 147 | 197 | 5 | |
| ZVF380-G011T4MD | 11 | 25 | 322 | 304 | 208 | 194 | 204 | 6 | |
| ZVF380-G015T4MD | 15 | 32 | 322 | 304 | 208 | 194 | 204 | 6 | |
Description of technical indications
| Item | Item Description | ||
| Input | Rated Voltage&Frequency | Single/Three phase 200-240VAC, Three phase 360-440VAC,50/60Hz | |
| Allowable voltage range | Voltage fluctuate range: ±10% | ||
| Voltage unbalance rate: <3% | |||
| Frequency fluctuation:≤±5% | |||
| Output | Rated voltage | Three phase 0~Input AC voltage | |
| Frequency | 0.00~500.00Hz | ||
| Overload capacity | Type G:150% 1minute,180% 3 second, 200% Instant protection | ||
| Type P:120% 1minute,150% 3 second, 180% Instant protection | |||
| Control function | Modulation | Optimize space voltage vector PWM modulation | |
| Control method | Closed loop control (FVC), open loop control (SVC), V/F control | ||
| Frequency resolution | Digital setting:0.01Hz; Analog setting: Max. frequency×0.1% | ||
| Starting torque | Type G:0.5Hz/150%(SVC); 0Hz/180%(FVC) | ||
| Type P:0.5Hz/100% | |||
| Speed range | 1:100 (SVC) | 1:1000 (FVC) | |
| Steady velocity precision | ±0.5%(SVC) | ±0.02%(FVC) | |
| Torque control precision | ±5%(FVC) | ||
| Torque boost | Automatic torque boost,automatically boost torque according to output current. | ||
| Manual torque boost, range:0.1~30.0% | |||
| V/F curve | 3 ways:linear curve; Multi-point Curve; Nth power V/F curve. | ||
| (1.2th power,1.4th power,1.6th power,1.8th power,2th power) | |||
| V/F separation | 2ways:full separation, half separation | ||
| Acceleration and deceleration curve | Linear or S-curve acceleration/deceleration mode. 4 acceleration and deceleration time, the range of acceleration and deceleration time is 0.0~6500.0s. | ||
| Carrier frequency | 1.0~15.0KHz | ||
| Jog function | Jog frequency range: 0.01~50.00Hz, jog acceleration and deceleration time | ||
| 0.1~6500.0 can be set. | |||
| Simple PLC multi-speed operation | Realize up to 16-speed operation through built-in PLC or control terminal. | ||
| Automatic voltage regulator(AVR) | When the grid voltage changes, it can automatically adjust the PWM output to keep the output voltage constant. | ||
| Built-in PID | Conveniently form a closed-loop control system, suitable for process control such as pressure control and flow control. | ||
| Over-voltage over current stall control | Automatically limit the current and voltage during operation to prevent | ||
| frequent over-current and over-voltage trips. | |||
| Rapid current limit function | Minimize over-current faults and protect the inverter from normal operation. | ||
| Torque limit and control | The “shovel” feature automatically limits the torque during operation to prevent frequent over-current trips; closed-loop vector mode can realize torque control. | ||
| Special feature | Outstanding performance | Realize asynchronous motor control with high-performance current vector control technology. | |
| Power dip ride through | When instantaneous power failure occurs, the load feedback energy is used to compensate for the voltage drop, and maintain the inverter to continue running for a | ||
| short time. | |||
| Rapid current limit | Avoid frequent over-current faults of the inverter. | ||
| VirtualI/O | 5 groups of virtual DIDO, can realize simple logic control. | ||
| Timing control | Timing control function: set time range 0.0Min ~ 6500.0Min. | ||
| Multi-motor switchover | Two motors can be switched over via two groups of motor parameters. | ||
| Multithreaded bus support | Support 4 field buses: Modbus, Profibus-DP, CANlink, CANopen . | ||
| Multi-encoder support | Support differential, open collector, UVW, resolver, sine and cosine encoders. | ||
| Operation function | Operation instruction | Operation panel control, external terminal control, serial communication control. Can be switched in a variety of ways. | |
| Frequency setting | 10 kinds of frequency sources: digital setting, analog voltage setting, analog current setting. Pulse setting, serial port setting. Can be switched in a variety of ways. | ||
| Auxiliary frequency source | 10 kinds of auxiliary frequency sources. Flexible realization of auxiliary frequency fine-tuning and frequency synthesis. | ||
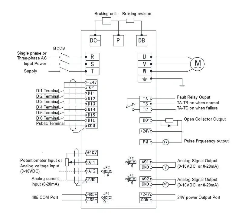
| Input terminal | Standard: 6digital input terminals, one of which supports high-speed pulse input up to 100kHz. 2 analog input terminals, 1 only supports 0~10V voltage input. 1 supports 0 ~ 10V voltage input or 0 ~ 20mA current input. Expansion capacity: 5 digital input terminals. 1 analog input terminal, support -10V ~ 10V voltage input, and support PT100/PT1000. | ||
| Output terminal | Standard: 1 high-speed pulse output terminal (open collector type is optional). Support 0~100kHz square wave signal output. 1 digital output terminal, 1 relay output terminal. 2 analog output terminals, support 0~20mA current output or 0~10V voltage output. Expansion capacity: 1 digital output terminal, 1 relay output terminal. 1 analog output terminal, support 0~20mA current output or 0~10V voltage output.. | ||
| Braking function | Dynamic braking | External braking resistor, maximum braking torque 100%. | |
| DC braking | It can be selected separately when starting and stopping, the action frequency is 0~600Hz, the action current level is 0~150%, the action time is 0~50 seconds, continuous can be set. | ||
| LED display | Real-time display of the inverter’s operating status, monitoring parameters, function parameters, fault codes and other information. | ||
| Other functions | Jump frequency, counter, speed tracking, restart after instantaneous power failure, upper and lower limit of frequency, adjustable acceleration and deceleration mode, two-wire/three-wire control, swing frequency control, automatic fault reset, frequency arrival output, cooling fan control, multi-function buttons Custom settings, etc. | ||
| Protection function | Power-on motor short-circuit detection, input and output phase loss protection, over current protection, overvoltage protection, under voltage protection, overheat protection, overload protection, etc. | ||
| Optional accessories | Braking component, remote operation panel and connecting cable , communication board. | ||
| Environment | Place to be used | Indoors, free from direct sunlight, free of dust, corrosive gas, flammable and explosive gas, oil mist, water vapor, dripping water or salt. | |
| Altitude | Less than 1000 meters. | ||
| Ambient temperature | -10~+45℃[The bare is:-10~+50℃] | ||
| Humidity | 20~90%RH,No condensation. | ||
| Vibration | <0.5G | ||
| Storage temperature | -20~+60℃ | ||
| Structure | Protection level | IP20 | |
| Cooling method | Forced air cooling | ||
| Installation method | Wall-mounted, floor-standing electric control cabinet. | ||
Our company enjoyed good reputation as in 2005 started automation business with latest available state of the art technology for modification of old machines and locally developed new machinery having good experience of different automation equipment.
Give Us A Call
Drop Us a Line
Office Location
Copyright © 2024. All rights reserved.